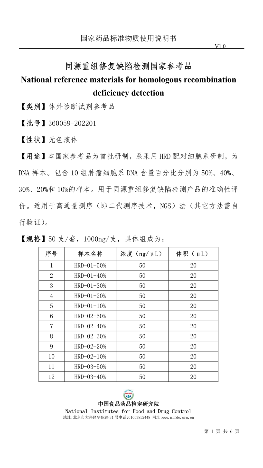
2022年12月,中国食品药品检定研究院发布了《关于同源重组修复缺陷检测国家参考品等三个国家参考品说明书公示的通知》。 作为全球领先的体外检测标准品研发生产商,菁良科技也很荣幸参与了同源重组修复缺陷检测国家参考品项目,为中国HRD检测标准化、规范化体系的建立与推动贡献自己的力量!为中国体外检测行业的发展添砖加瓦! 同源重组修复缺陷(homologous recombination deficiency,HRD)通常指细胞水平上的HRR功能障碍状态,可由HRR相关基因胚系突变或体细胞突变以及表观遗传失活等诸多因素导至,常存在于多种恶性肿瘤中,其中在卵巢癌、乳腺癌、胰腺导管癌、前列腺癌等肿瘤中尤其突出。[1] HRD可由HRR相关基因胚系突变或体细胞突变以及表观遗传失活等诸多因素导至。HRD会产生特定的、可量化的、稳定的基因组改变,也被称为“基因组瘢痕”。基于 SNPs 的“基因组瘢痕”分析是当前最具应用前景的 HRD 临床检测方法,目前国内尚未见批准基于 SNPs “基因组瘢痕”的 HRD 临床检测试剂盒。而此次“同源重组修复缺陷检测国家参考品”的公示,有助于同源重组修复缺陷检测,推进该检测的标准化和规范化。 此次公示的同源重组修复缺陷检测国家参考品采用HRD配对细胞系研制,为DNA样本。包含10组肿瘤细胞系DNA含量百分比分别为50%、40%、30%、20%和10%的样本。共计50支/套。用于同源重组修复缺陷检测产品的准确性评价。适用于高通量测序(即二代测序技术,NGS)法(其它方法需自行验证)。 作为领先的体外检测标准品研发生产企业,菁良科技在标准品研发生产方面有着先进的技术和丰富的经验,在进行标准品研发设计和生产的过程中,充分调研了行业现状及问题,严格遵守相关法规及政策,积极为行业提供优质的产品和解决方案。菁良自成立起,就积极推进行业标准化及规范化的工作,以建立体外检测行业的金标准,提高体外检测的准确性,助力于患者的精准治疗为目标。 很荣幸此次菁良基因能够作为协作单位参与中检院同源重组修复缺陷检测国家参考品项目,未来,我们将继续秉持“精准制标,匠心良造”的质量方针,在标准品领域不断研发、提升品质,确保持续稳定地提供更好的产品及服务。
菁良HRD标准品来源于配对肿瘤细胞系,采用WGS数据评估标准品的HRD参考值,可满足IVD市场上IVD企业参考品、试剂盒内阴阳性参考品、试剂盒性能验证、日常质控和室间质评等应用需求。 | | | HRD Score分布范围广,能模拟真实样本 | | 配对细胞系,适配主流IVD厂商的分析流程 | | 可通过不同比例细胞系混合模拟不同肿瘤纯度,为LOD验证提供参考 | | 采用WGS数据评估标准品HRD参考值,可用于HRD panel的准确性评估 |
产品形式:gDNA 产品规格:0.5μg/支 50ng/μL 70支/套 产品形式:gDNA,ctDNA,FFPE 蜡块 产品规格:定制 质控方法:WGS、数字 PCR(混合时验证)
*注:HRD参考值为基于双样本的 WGS数据的分析结果,仅供参考,HRD参考值=LOH+TAI+LST
更多产品信息可点击“阅读原文”查看 也可直接咨询菁良销售及技术支持
▌参考文献: [1]《同源重组修复缺陷(HRD)临床检测与应用专家共识 》 识别关注菁良微信账号 更多精彩内容与您分享 邮箱:info@gene-well.com 网站:www.gene-well.com 技术支持热线:0755-25167062 —  —本站转载文章观点仅代表原作者,如有侵权请联系删除!
|